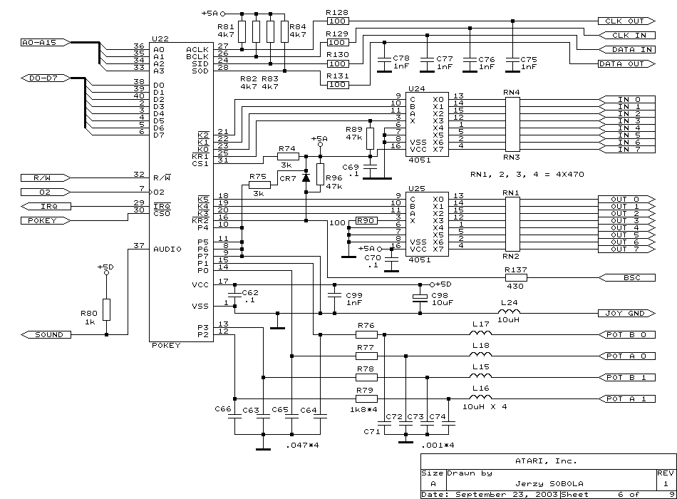
Atari 800XLF

Circuit Diagram